Adaptor Kit suit GM 4L60E/4L65E 6 Bolt Rear to 60/70 Series LandCruiser 19 Spline Split Transfer

$2,226.00 inc. GST $2,114.70 inc. GST

Due to high demand this product's lead time is 4 weeks

In Stock - Please see lead time above

Description

Adaptor Kit suit GM 4L60E/4L65E 6 Bolt Rear to 60/70 Series LandCruiser 19 Spline Split Transfer

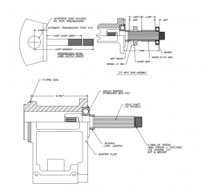
The GM 4L60E adapter to the Land Cruiser 19 spline transfer case is 8.250″ in length. And the overall length of the transmission and adapter is 30.50″. The adapter material is 356 T6 heat treated aluminum alloy. The adapter kit includes a 2-piece adapter housing, spud shaft w/ 19 spline, GM VSS sensor, t-case shifter bracket, t-case bracket spacers, snap rings, retainer, sealed bearing, gasket, nylon lock nut, fastening hardware, and adapter instructions.

Transfer case

This adapter assembly fits August 1980 to 1989 transfer cases. The transfer case design was changed to a split-case design configuration with a 19 tooth internal spline on the input gear.

Transmission

The adapter kit is designed for exclusive use with 1997 & up 2WD 4L60E / 4L65E. The transmission main case and bellhousing on this version are no longer cast together (now a removable bellhousing design), and no longer had the square bolt pattern on the output side. This version of the 4L60E is now equipped with a hex bolt pattern similar to a TH400. This transmission is 21-7/8″ long and is used in both 2WD & 4WD vehicles. We manufacture an adapter plate that bolts to the output side of this transmission, giving you the same overall length as the 4L60E that is listed above. This kit uses a stock 2WD 4L60E output shaft with a 11″ stickout that needs to be shortened. We then take our adapter housing and bolt it to the transmission. This adapter takes the hex bolt pattern on the 4L60E and converts it to a square bolt pattern to make the 4L60E look just like an earlier GM automatic. The stock main shaft should have a reluctor on the shaft which will line up with the sensor hole on our main adapter housing.

(The cut off length on the main shaft is measured with the adapter installed.)

1 x CASTING (with sensor drilled)
1 x 4L60E / UNIVERSAL ADAPTER
1 x SPUD SHAFT WITH 19 SPLINES (Ref: 711383)
1 x SENSOR
1 x TRANSFER CASE SHIFTER BRKT.
3 x TRANSFER CASE BRKT. SPACERS
2 x 22mm PLUG
1 x BUSHING/GEAR LOCATER
1 x SEALED BEARING
1 x SPECIAL SNAP RING FOR BEARING
1 x “O”-RING
1 x GASKET
1 x TRANSFER CASE FRONT INPUT SEAL
4 x NUT 10mm-1.5 (SQ. PATTERN)
4 x 10mm FLAT WASHER (SQ. PATTERN)
3 x 12mm-1.25 x 90mm LONG H.H.C.S. (transfer case to adapter housing bolts)
4 x 12mm-1.25 x 40mm LONG H.H.C.S. (transfer case to adapter housing bolts)
1 x 12mm-1.25 SET SCREW (INSTALLED)
4 x 10mm-1.5 x 50 mm set screw (SQ. PATTERN)
3 x 3/8″-16 x 2-1/2″ S.H.C.S.
7 x FLAT WASHER
1 x 26mm – 1.5 SHAFT NUT

Fitting Notes

NOTE: THIS KIT USES A 2WD 4L60E OUTPUT SHAFT (O.A.L. 18-3/16″)

NOTE: This kit requires the 2WD output shaft to be shortened. If you are using this kit on a newer hex bolt pattern 4L60E transmission, then you will be required to use our adapter housing. Please note that the cut off location on the output shaft must be made after this adapter is installed
on the transmission.

Q & A

Ask a question
Adaptor Kit suit GM 4L60E/4L65E 6 Bolt Rear to 60/70 Series LandCruiser 19 Spline Split Transfer Adaptor Kit suit GM 4L60E/4L65E 6 Bolt Rear to 60/70 Series LandCruiser 19 Spline Split Transfer
Your question
* Question is required
Name
* Name is required
* Please tick the checkbox to proceed
This site is protected by reCAPTCHA and the Google Privacy Policy and Terms of Service apply.
There are no questions yet

Reviews

There are no reviews yet

Add a review
Currently, we are not accepting new reviews

Customers also bought these...